1.4 三相PFC电路
加载中...1.4 三相 PFC 电路
根据电路输入电压的不同,PFC 电路主要分为单相和三相两大类。其中单相 PFC 电路目前在拓扑和控制方面已相当成熟。而三相 PFC 电路由于应用极广泛,工作机理比较复杂而成为近年来的研究热点。与单相 FPC 整流装置相比,三相 PFC 整流装置具有许多优点,如下所示。
优点
输入功率高,功率额定值可达几千瓦以上;虽然每相输入功率包含两倍于工频的交变分量,但在三相平衡装置中,三相输入功率脉动部分的总和为零,输入功率是一个恒定值。这样,输出电容上无工频纹波,可以使用容量较小的输出电容,可以实现更快的输出电压的动态响应调节。
分类
然而,三相 PFC 整流电路遇到的一个很大难题是三相之间的耦合。在单相不控整流电路中,如果负载等效为一个电阻,则输入功率因数为 1,但在三相不控整流电路中,即使负载等效为一个电阻,也不能获得满意的功率因数。原因在于在三相不控整流电路中,三相电压通过 AC/DC 的不控整流桥互相耦合,不可能同时兼顾三相输入电流,使任何一相输入电流都不能独立控制为正弦波形。为使三相输入电流都为正弦波形,必须对三相输入电压进行解耦。近年来,用来提高三相整流电路功率因数的许多新拓扑被提出,从解耦的观点看,这些三相 PFC 电路拓扑可分为以下三类。
不解耦三相 PFC、部分解耦三相 PFC 和全解耦三相 PFC。
1.4.1 三相 PFC 的典型电路
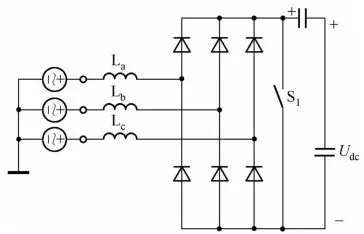
1.基本三相 PFC 电路
基本三相 PFC 电路如图 1-71 所示,它基本上是单相 Boost 断续模式(DCM)PFC 在三相上的延伸。它的相电流平均值由以下几式给出:

加载中...
图 1-71 基本三相 PFC 电路

加载中...
式中,FS为输入电压UI的工作频率;L为 Boost 电感;D为占空比;M为电压增益,可用式(1-81)表示:
加载中...
图 1-72 给出了电压增益与谐波的关系。图中的 THD 为总谐波含量,可用下式表示:
加载中...

加载中...
图 1-72 电压增益与谐波的关系
功率因数λ为
加载中...
因此,为了得到较高的功率因数,需增大电压增益M。但过高的M会使Udc太高,导致 S1及 PFC 负载(变换器)的开关功率器件的电压应力增大,从而增加了整机的成本及降低了整机的工作可靠性,这也是三相 PFC 整流器电路还不能走向成熟的问题关键。
2.三相 PFC 电路
近几年来,产生了很多三相 PFC,大部分是针对上述问题提出的,最常见的有以下几种。
常见拓扑
基本 PFC+ 波形控制;Buck 型 PFC;基本组合型 PFC;双向开关型三相 PFC;软开关三相 PFC。
1)基本 PFC+ 波形控制
在基本的 PFC 控制电路中加入调制信号,在同一谐波含量下,可以降低 M 的值,如图 1-72 中的虚线结果所示。该方法其实没有解决 Udc>3Uin的问题。
2)Buck 型 PFC
如图 1-73 所示是 Buck 型 PFC。它是基本 Boost 型的对偶电路,可以使Udc<3Uin。其缺点是:Ia(Ib,Ic)的电流对称取决于负载,负载电流越大,功率因数越高,THD 越小;对无极性电容 Ca(Cb,Cc)要求较高,体积大,价格高。

加载中...
图 1-73 Buck 型 PFC
3)基本组合型 PFC
基本组合型 PFC 即将基本变换器用于三相 PFC 中。其典型应用电路有 Buck—Boost 型 PFC。这种组合型 PFC 由于结构复杂,目前只在小功率 PFC 中有应用。
4)双向开关型三相 PFC
双向开关型三相 PFC 是目前一种比较有发展前途的拓扑模型,如图 1-74 所示,它采用了双向开关结构。

加载中...
图 1-74 双向开关型三相 PFC
这种电路的优点是:开关器件的电压值小,控制简单,输入电流连续,其输出电压为
加载中...
其缺点是:快速二极管使用较多,直流侧电容需均压,电感较大。滤波电感由下式计算:
加载中...
式中,f为电源频率;Po为输出功率。
5)软开关三相 PFC
将单相无损 PFC 软开关直接应用到三相 PFC 中,仍有发展前景,因为这可大幅度减少开关损耗。
3.不解耦三相 PFC 电路
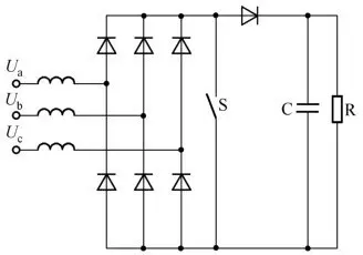
三相单开关 PFC 整流电路是最典型的不解耦三相 PFC 电路,如图 1-75 所示。
在图 1-75 中,以在时间间隔 t,
加载中...分析为例,此时Ua>0,Uc≤Ub≤0。当开关 S 导通时,三相输入电压被二极管桥和开关 S 短路,三相输入电感上的压降与对应相的输入电压相同,因此在 S 导通期间,相输入电流峰值与相电压成正比。t1时刻,有

加载中...
图 1-75 三相单开关 PFC 整流电路
加载中...
S 关断后,电感放电,有
加载中...
t2时刻,原来t1时刻的三相电感电流中绝对值最小的那一相先下降为零,即ib=0;直到t3时刻,三相电感电流都变为零。一个开关周期内的三相电感电流波形如图 1-76 所示。
在图 1-76 中,时间间隔 和是可控的,而 和是不可控的。该拓扑运行于 DCM 模式下的条件是开关周期TS≥t3。最大占空比为

加载中...
图 1-76 一个开关周期内的三相电感电流波形
加载中...
输入电流的 THD 依赖于输出电压的增益:
加载中...
当KV=1.5 时,THD 可达 10% 左右。
这种拓扑是一种低成本的三相 PFC 方案,由于其线路简单和相对好的性能,所以十分流行。该拓扑也可以采用 ZCT、ZVT 软开关技术来减小开关损耗。
问题
三相单开关 PFC 整流电路存在的固有问题有:为了得到较低的 THD,输出电压必须达到一定的幅值,这就使得对后级的元器件耐压要求较高,同时为后级变换带来了困难;为了既保证输入电感上的电流断续,又能得到最大的输出功率,电感的设计比较困难。
上述三相单开关 PFC 整流电路固有问题的根本原因是三相电压之间的耦合,因此为了达到最好的功率因数校正效果,必须对三相电压解耦。
4.部分解耦三相 PFC 电路
这里选取三相四线伪桥式 PFC 整流电路和三电平 PFC 整流电路进行分析。
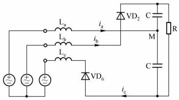
1)三相四线伪桥式 PFC 整流电路
这种拓扑的典型电路如图 1-77 所示,由于中线的存在,所以该电路可以分为相互独立的上下两个半桥,从而达到部分解耦的目的。基于三相四线伪桥式 PFC 整流电路的控制策略有断续和连续两种模式,而临界断续控制模式实质上是变频恒导通时间控制模式。根据三相四线伪桥式 PFC 整流电路的输出功率,可以确定一个工频周期内的恒导通时间ton,即开关管在电感电流回零后开通,在导通时间ton完成后关断,以让电感电流回零。相对恒频恒占空比的控制方式,其电流畸变要小得多。

加载中...
图 1-77 三相四线伪桥式 PFC 整流电路
以上半桥 A 相为例:在 π/6~5π/6(7π/6~11π/6)时间区间,开关 S1(S2)的关断时间仅由相电压UA决定,因此在一个开关周期内,ILA的平均电流取决于它的相电压,UB和UC对它无影响。而在 0~π/6(π~7π/6)、5π/6~π(11π/6~2π)时间区间,开关 S1(S2)的关断时间则分别由UC和UB决定,因此在这些时间区间ILA的平均电流受到 C 相和 B 相相电压的干扰。该拓扑实际上是一种部分解耦三相 PFC。
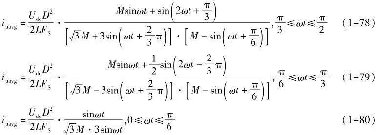
当该电路运行于恒导通时间临界 DCM 模式下时,在 0~π/6 时间区间,第N个开关周期内的 A 相相电流平均值为
加载中...
而在 π/6~5π/6 时间区间,有
加载中...
在 π/6~π 时间区间,有
加载中...
式中,Ton是开关恒导通时间;U01是 C1两端的输出电压;LA是A相输入电感。
特点
该电路上下半桥独立,实现了部分解耦,比不解耦的三相单开关 PFC 整流电路能实现更小的输入电流 THD,更高的功率因数;开关元件少,控制简单;开关管电压应力低,仅为三相单开关 PFC 整流电路的一半;但是该电路需要中线,有三次谐波流过。
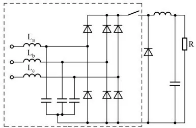
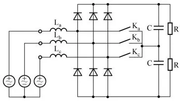
2)三电平 PFC 整流电路
三电平 PFC 整流电路的典型拓扑如图 1-78 所示,该电路利用三个低功率双向开关 Ka、Kb、Kc运行于工频下,当输入交流电压过零时开关动作,从而在耦合区间将电流引入零电位,达到部分解耦的目的。

加载中...
图 1-78 三电平 PFC 整流电路的典型拓扑
在 0~π/6 时间区间,开关 Ka导通,电路运行模式如图 1-79 所示。设Uin为输入相电压有效值,以 A 相分析为例,有
加载中...

加载中...
图 1-79 0~π/6 时间区间的电路运行模式
在 π/6~2π/6 时间区间,开关都不导通,该电路运行模式与三相不控整流电路相同,对IA有
加载中...
同理,可推出其他时间区间的表达式。输入电感需满足下式:
加载中...
该电路的显著特点是工作于低频下,无须快速器件,成本低;不需要中线,无三次谐波;满载时功率因数高;开关应力小,关断压降低;但轻载时特性差,因此特别适合于对设备体积要求不高、负载变化不大的场合。
控制原理
5.全解耦三相 PFC 电路
三相 CCM-Boost 整流电路是该拓扑的典型电路,如图 1-80 所示。它采用空间电压矢量控制,可以实现三相输入电压的完全解耦,达到很高的性能。空间电压矢量控制的原理如下。

加载中...
图 1-80 三相 CCM-Boost 整流电路
用三相电压矢量去逼近矢量电压圆,则在输入端会得到等效三相正弦波形。开关矢量由三个字母表示,三个字母从左到右分别代表 A、B、C 点是否与 P 或 N 相连。这样,共有 8 个开关矢量,包括两个零矢量,如图 1-81 所示。

加载中...
图 1-81 矢量与矢量合成
如果将电压圆分成N等份,采样周期为TS,则任一空间矢量V可由其相邻两个开关矢量来等效,相应的导通时间为
加载中...
加载中...
优缺点
式中,m为调制比;θt为导通角;Uθt为导通角为θt时的电压模;Udc为直流输入电压。
加载中...
零矢量作用时间为
加载中...
由于该电路具有连续的输入电流、高效率和高功率输出,所以在中功率应用中是重要的高功率因数变换器。但该电路需要 6 个主开关,开关管利用率低,控制复杂,成本高。
1.4.2 三相多开关 PFC 电路
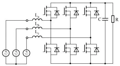
1.三相六开关 PFC 电路
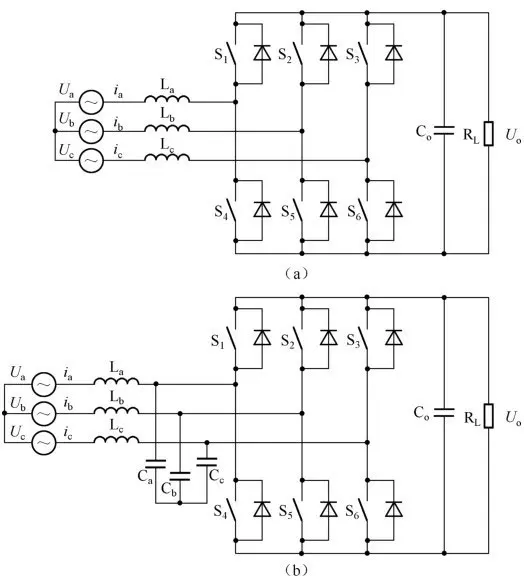
三相六开关 PFC 电路是由 6 个功率开关器件(6 个绝缘栅极晶体管 IGBT)组成的三相 PWM 整流电路,其开关频率高、驱动功率小。随着智能功率模块(IPM)技术的发展应用,IPM 正在逐步取代普通 IGBT 模块。由于 IPM 内部既有 IGBT 的棚极驱动和保护逻辑,又有过流、过(欠)压、短路和过热检测及保护电路,提高了变频器的可靠性和可维护性,所以 PFC 环节和 IPM 逆变桥集成一体化是三相六开关 PFC 电路发展的必然趋势。
三相六开关 PFC 电路如图 1-82(a)所示,每个桥臂由上下 2 个开关管及与其并联的二极管组成,每相电流可通过桥臂上的这 2 个开关管进行控制。例如,当 A 相电压为正时,S4导通使 La上的电流增大,电感 La充电;当 S4关断时,电流ia通过与 S1并联的二极管流向输出端,电流减小。同样,当 A 相电压为负时,可通过 S1及与 S4并联的二极管对电流ia进行控制。实际的控制电路由电压外环、电流内环及 PWM 发生器构成。常用的控制方法如图 1-83 所示。PWM 控制可采用三角波比较法、滞环控制或空间矢量调制法(SVM)。由于三相的电流之和为零,所以只要对其中的两相电流进行控制就足够了。因此,在实际应用中,对电压绝对值最大的这一相不进行控制,而只选另外两相进行控制。这样做的好处是减少了开关动作的次数,从而可以减小总的开关损耗。

加载中...
图 1-82 三相六开关 PFC 电路

加载中...
图 1-83 三相六开关 PFC 电路的控制图
优缺点
该电路的优点是输入电流的 THD 小,功率因数为 1,输出直流电压低,效率高,能实现功率的双向传递,适用于大功率应用。其不足之处是使用开关数目较多,控制复杂,成本高,而且每个桥臂上的 2 个串联开关管存在直通短路的危险,对功率驱动控制的可靠性要求高。为了防止直通短路危险,可以在电路的直流侧串上一个快恢复二极管。
Buck 型三相六开关 PFC 变换器的基本拓扑如图 1-82(b)所示。要实现电感 L 的电流连续而线电压不短路,要求上下桥臂必须各有一个开关管导通,而且只能各有一个导通。所采用的 PWM 控制策略是把一个工频周期以相电压过零点分成 6 段,在每段中有 2 个线电压同极性。在每段中,具有最高或最低电压的相一直导通,而调节其他两相的导通时间,以实现电流跟踪电压,即功率因数校正。
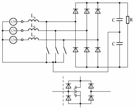
2.三相双开关 PFC 电路
在三相电路中,三相电流总共有 3 个自由度,而三相单开关 PFC 电路中只使用了 1 个开关管对电流进行控制,加上三相电流之和为零这个条件,最多只能对 2 个自由度的量进行控制,所以可以通过增加 1 个开关管来对三相电流进行控制。在图 1-84 所示的电路中,用 2 个串联的开关管代替了三相单开关 PFC 上的单管,并在输入端用 3 个 Y 型接法的电容来构造浮动中点,这个中点与 2 个串联开关管的中点相连。该电路的 Boost 电感上的电流也工作在 DCM 下。它与三相单开关 PFC 电路的不同之处是:三相单开关 PFC 电路中的 3 个 Boost 电感是同时充电或放电的;而在图 1-84 所示的电路中,电压值最高相的 Boost 电感与其余两相上的 Boost 电感充电或放电在时间上是错开的,各相的电流波形如图 1-85 所示。

加载中...
图 1-84 三相双开关两电平 PFC 电路

加载中...
图 1-85 三相双开关两电平 PFC 电路的电流示意图
优缺点
这样工作的好处是在电感放电起始的一段时间里,输出电压全部参与电感放电;而三相单开关 PFC 电路中的电感放电时,输出电压是被分成两部分,分别参与不同的电感放电的,这就使电感放电时间缩短,即缩短了电感电流平均值与输入电压瞬时值的非线性阶段,可减小输入电流的 THD。此外,Y 型接法的 3 个电容可以在一定程度上减小低次电流谐波。该电路的不足之处是:电路工作在 DCM 下,THD 仍比较大。